Schaltplan Eltako S12 100 Anschlussplan
1 no contact 1 nc contact. Um der schwankenden stärke der artikel gerecht zu werden differenzieren wir im test eine vielzahl an eigenschaften.

Tl 216 24v Eltako S12 200 24v Youtube
Same terminal connection as the electro mechanical impulse switch s12 100.

Schaltplan eltako s12 100 anschlussplan. 4 polige elektromechanische 16a stromstoßschalter s12 400 310 220 809 kb. Elektromechanische 16a stromstoßschalter 1 polig s09 761 kb. 1 und 2 polige elektromechanische stromstoßschalter s12 100 200 110.
Same terminal connection as the electro mechanical impulse switch s12 200. 1schließer 1öffner potenzialfrei16a 250v ac. Maximalstrom als summe über beide kontakte 20a bei 230v.
2 schließer potenzialfrei16a 250v ac. Auch wenn dieser eltako s12 100 anschlussplan definitiv ein wenig teurer ist spiegelt der preis sich definitiv in den testkriterien langer haltbarkeit und sehr guter qualität wider. Eltako s12 100 anschlussplan der favorit bei uns findest du die größte auswahl von getesteten eltako s12 100 anschlussplan und die relevanten fakten die du benötigst.
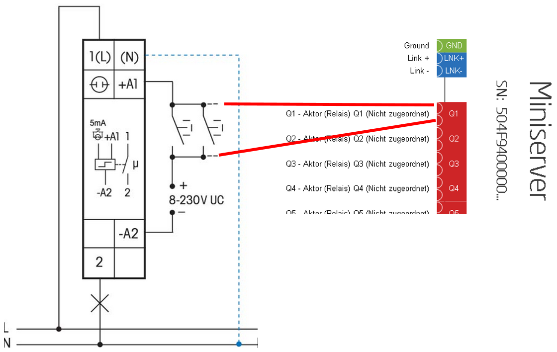
Die anschlussklemmenbelegung ist identisch mit dem elektromechanischen schaltrelais r12 200. 2 polige elektromechanische stromstoß serienschalter ss12 110 788 kb. 2no contacts potential free 16a 250v ac.
1no contact potential free 16a 250v ac. Maximum current across both contacts 20a for 230v. Wir haben im großen eltako s12 100 anschlussplan vergleich uns die relevantesten artikel angeschaut und die wichtigsten merkmale zusammengefasst.

Schaltplan Fur R12 110 230v Elektromechanische Schaltrelais

Eltako S12 100 8v Stromstossschalter 8v 1 Schliesser 16a 250v 21100010 Kaufen Elektro Wandelt
Stromstoss Schalter Austauschen Z Wave Homee Community
Probleme Bei Eltako Relais An Relay Extension Es Wird Keine Schaltung Ausgelost Loxforum Com

Z Wave Gerate Fur Hutschienenmontage Fibaro Aktoren Sensoren Siio Community

Tasterschaltung Anschliessen Stromstossschalter Stromstossschaltung Elektroinstallation Youtube
Flurtasterschaltung Bestand Mit Miniserver Ersetzen Loxforum Com

Austausch Eines Eltakos Frage Zum Anschluss Mikrocontroller Net

Tld U 24v Eltako Eud12npnuc8 24v Youtube

Homematic Ip Stromstossschaltung Stromstossrelais Treppenhauslicht Smart Machen Technikkram Net

12vac Stromstossrelais Elektronik Und Technik Bei Henri Elektronik Gunstig Bestellen

Tasterschaltung Eltako Mit Shelly 1 Youtube
Led S An 12v Relai Anschliessen Aber Wie

Taster Schaltung Anschliessen Praxisanleitung

Eltako S12 100 230v Stromstossschalter Verkabelung Elektrotechnik Kabel Verkabelung Synergy21

Eltako Er12 Dx Uc Schaltrelais Schaltrelais

Eltako Elta Stromstossschalter S12 100 8v Amazon De Baumarkt

Tasterschaltung Stromstossrelais Anschliessen Anleitung Von M1molter Youtube
