Bedini 4.0 Schaltplan
Hochwertiger lüfter der marke sunon. Hier zeige ich euch meine bedini 4 0 schaltung.
Das ist ein grobes erklär video.

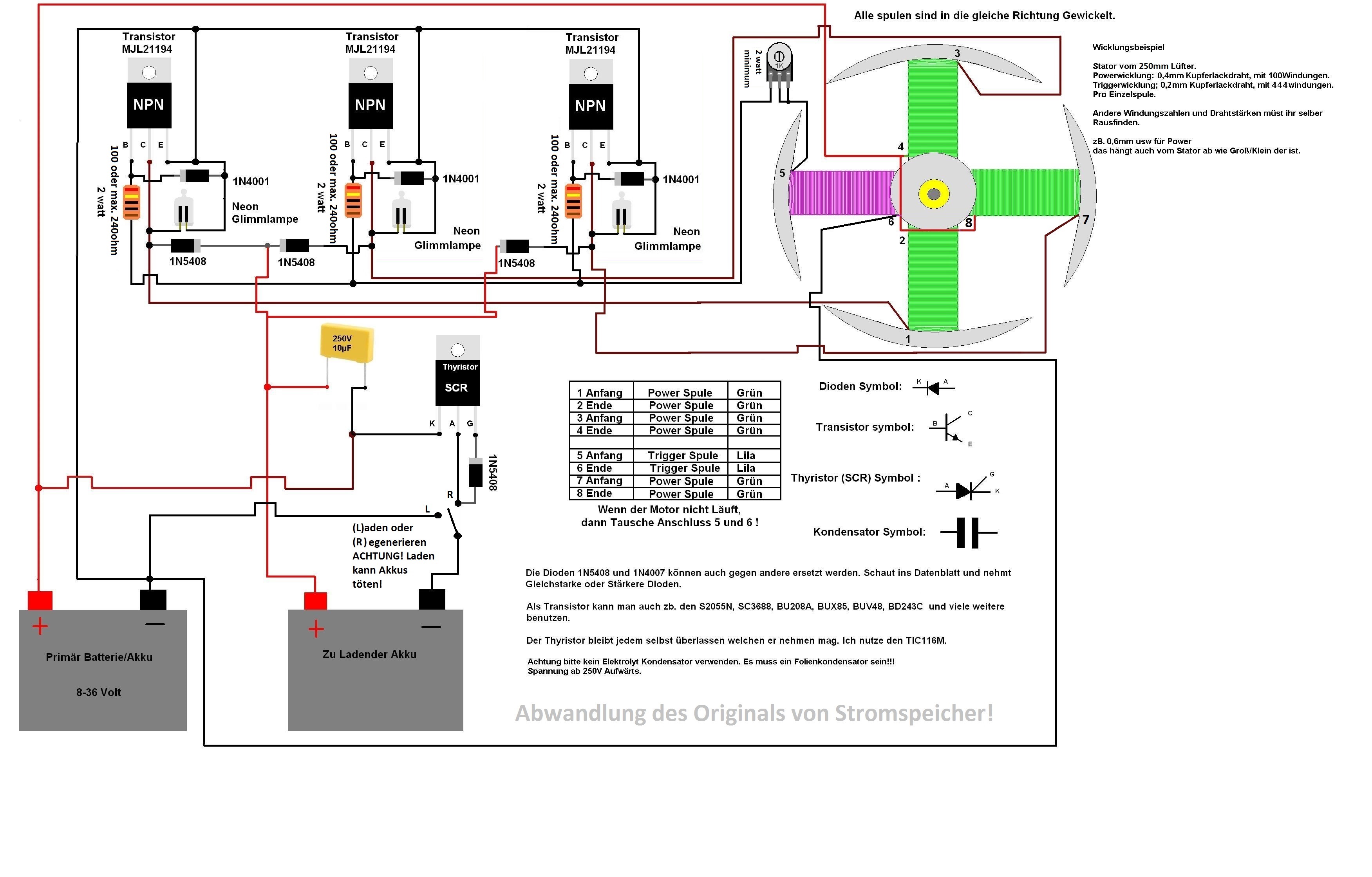
Bedini 4.0 schaltplan. Tolle angebote bei ebay für bedini. Schaltung kommt im nächsten vid weil an meine zeichnung lässt es sich so schlecht anschliessen xd. Bedini 4 0 nach stromspeicher redrawed by derandy bedini 3 0 und 1 0 mit umschalter für laden und regenerieren.
1 5er volks bedini lüfter. Falls ravi hiermit falsch liegt möge. Der h2 und o2 volumen und hat daher h2 mit 2 3 und o2 mit 1 3 volumenanteil angenommen.
Ravi war sich nicht ganz sicher bez. Read the full ar. Von hand gewickelt und kontrolliert.
Wir verwenden cookies um ihnen ein besseres browsererlebnis zu bieten. Cookies verbessern die navigation auf der website analysieren die nutzung der website und unterstützen unsere marketingaktivitäten. This is the next part in the series on how to build a radiant energy pulse motor otherwise known as the bedini simplified school girl motor.
Den schaltplan hab ich nochmal in eine pdf datei gezeichnet wenn jemand ihn will dann bitte e mail adresse in die kommtentar schreiben ich schick dann die e mail. 4 0 a 18 00 12 00 43 200 die menge an h2 o2 wurde kalkuliert über einen zeitraum von jeweils 30 sekunden. Der originale volks bedini lüfter 4 0 fertig gewickelt.
Ein anschlussplan des lüfters an eure schaltung liegt bei. Mal sehen was raus kommt 3 0 war mir etwas zu einfach sorry für den reed switsh fehlen mir noch einige geschichten also erstmal weiter mit bedini weiter. Saubere kabelverlegung und mit zugentlastung gewickelt.

Agriculture Free Full Text Performance And Establishment Of A Commercial Mycorrhizal Inoculant In Viticulture Html

Moteur Sur Unitaire De John Bedini Schema Energie Libre De John Bedini Youtube

John Bedini Ideas And Motors Free Energy Projects Free Energy Alternative Energy
Itawk Com John Bedini S Monopole Mechanical Oscillator

Battery Charger And Desulfator Use Ringing Pulse Search Google Bedini Scc
Forschung Fur Die Losung Der Energie Und Klimaprobleme Elektrogesellen Bitte Baut Den Ahlers Bedini Nach 176 2014 Ahlers

Thomas Autark Bedini 3 0 Nachbau Youtube

Solar Perpetual Bedini Motors 5 Motor Generator Free Energy Electronics Projects

Ed Gray Motor Generator Free Energy Power Supply Circuit Circuit

Bedini Patent Animated Ver 1 1 Youtube Free Energy Electronic Engineering Energy

Bedini 4 0 Nstromsp Andy 01 Easyeda

Schematic Of The Proposed Roles Of Gibberellin A And Download Scientific Diagram

Bedini 4 0 Die Erweiterung Vom 3 0 Schaltplan Teststudie Youtube

Motor Generator Circuit Bedini Motor Generator Schematic Free Energy Diy Tesla Coil Tesla Coil Tesla Coil Circuit

Schematics For Joule Thief Bedini Youtube Joule Thief Free Energy Tesla

Meine Bedini 4 0 Schaltung Pakvim Net Hd Vdieos Portal

John Bedini Motor Diagrams And Lab Notes Electronic Engineering Engineering Free Energy

