Schaltplan Vw Amarok
Amarok the first pickup truck from volkswagen was presented on december 7 2009 at general pacheco in the province of buenos aires with the participation of argentine president cristina kirchner. The 2020 volkswagen amarok will get a 3 6 liter engine that provides 275 hp and 265 lb ft of torque.

Diagram Vw Passat Gte Wiring Diagram Full Version Hd Quality Wiring Diagram Tastefoca Fanfaradilegnano It
In 2010 the car participated in the dakar rally.

Schaltplan vw amarok. Volkswagen considers the toyota hilux nissan navara mitsubishi l200 ford ra. The company could downtune these numbers to maximize towing capacity. Volkswagen amarok 2010 karosserie reparaturhandbücher pdf pdf.
It is a traditional body on frame truck with double wishbone suspension at the front and leaf springs at the rear. Vw passat 1993 kombiinstrument schaltplan png. The amarok range consists of single cab and double cab combined with either rear wheel drive or 4motion four wheel drive and is powered by turbocharged gasoline or turbocharged direct injection diesel engines.
Automobile volkswagen amarok 2011 workshop manual 4 cylinder injection engine 2 0 l direct injection engine turbocharger 259 pages automobile volkswagen amarok 2011 maintenance manual. Volkswagen amarok 2010 service handbücher pdf pdf. Find the perfect vw for you by browsing the latest cars and suvs in the vw model lineup.
Engineers must aim 7 000 pounds. Volkswagen amarok selling across australia new zealand south america and europe the volkswagen amarok is a medium size pickup truck which was formerly known as the robust pick up. Es wurde auf verschiedene weise als dasher santana quantum magotan corsar und carat vermarktet.
The volkswagen amarok is a pickup truck produced by volkswagen commercial vehicles since 2010. Volkswagen polo 1990 1994 service und reparaturanleitung vw pdf 10 2 mb herunterladen. Search for new used volkswagen amarok cars for sale in australia.
Der volkswagen passat ist ein großes familienauto das seit 1973 in der achten generation von volkswagen hergestellt und vermarktet wird. Our most popular manual is the volkswagen amarok workshop manual 2007 2007. Tthe amarok range consists of single cab and double cab combined with either rear wheel drive or 4motion four wheel drive and is powered by turbocharged.
Volkswagen polo 1995 2010 werkstatthandbuch. Rear wheel drive will be standard while the new amarok truck will take advantage of the vw s 4motion all wheel drive. In the table below you can see 1 amarok workshop manuals 0 amarok owners manuals and 25 miscellaneous volkswagen amarok downloads.

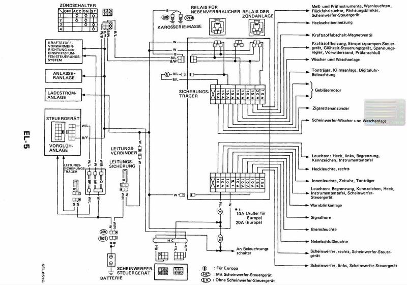
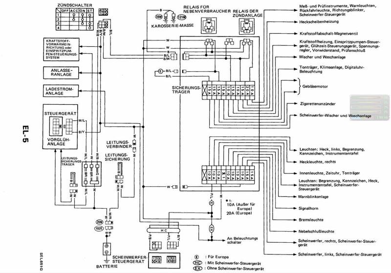
Vw Amarok Typ 2h 10 Schaltplan Reparaturanleitung Pdf Herunterladen
Sicherungen Belegung T6 1 T6 1 Diskussionen Infos Und Losungen Caliboard De Die Vw Camper Community

Vw Amarok 2h 11 Stromlaufplan Ab Juni 2016 Reparaturanleitung Fur 41 90 Kfz Literatur Direkt Vom Hersteller

Vw Fox Typ 5z 13 Schaltplan Stromlaufplan Verkabelung Elektrik Plane Ebay

Vw Amarok Black Sheep Innovations Vw Amarok Best Car Insurance Truck Design

Vw Amarok Typ 2h 16 Schaltplan Stromlaufplan Verkabelung Elektrik Plane Eur 44 91 Picclick De

Vw Amarok Typ 2h 09 16 Schaltplan Stromlaufplan Verkabelung Elektrik Plane Ebay

Bimobil Husky 270 Amarok Single Cab Bilder Autobild De Truck Camper Shells Jeep Tent Pickup Camper

Vw Touran Typ 5t 15 Schaltplan Stromlaufplan Verkabelung Elektrik Plane Ebay

Vw New Beetle Rsi Typ 9g 01 10 Stromlaufplan Schaltplan Reparaturanleitung Fur 14 90 Kfz Literatur Direkt Vom Hersteller

Vw Amarok Typ 2h Ab 06 2016 Schaltplan Reparaturanleitung

Wasser Heizgerat Einbaudokumentation Vw Amarok Thermo Top Evo Manualzz

Das Offroad Forum Kriechstrom Im Terrano1

Volkswagen X Arctic Trucks Amarok At35 Concept Vw Amarok Volkswagen Vw Pickup Truck

6 Gang Schaltgetriebe 0c6 Vw Amarok 2h 11 Reparaturanleitung Service Reparaturanleitungen

Volkswagen Amarok Blueprint Volkswagen Blueprints Wooden Truck

How To Install Led Lights In A Car In 2020 Vw Amarok Volkswagen Vw Amarok V6
